陶瓷大功率繞線電阻的特點
陶瓷大功率繞線電阻具有耐高溫性能。由于其采用陶瓷材料作為基體,使得電阻器能夠在高溫環境下長時間穩定工作,而不會發生性能衰減或損壞。這一特性使得陶瓷大功率繞線電阻在高溫工業領域,如冶金、石油、化工等行業中得到廣泛應用。
陶瓷大功率繞線電阻具有[敏感詞]的散熱性能。電阻器在工作過程中會產生熱量,如果不能及時散出,就會導致電阻器溫度升高,進而影響其性能和壽命。而陶瓷大功率繞線電阻通過采用特殊的散熱結構,如波紋形狀、立式電阻絲等設計,有效提高了散熱效率,使得電阻器能夠在高功率工作狀態下保持較低的溫度,從而保證其長期穩定運行。
陶瓷大功率繞線電阻還具有高穩定性、耐過載能力強、耐電壓高等特點。這些特點使得電阻器在復雜多變的電路中能夠保持穩定的性能,即使在過載或高電壓情況下也能正常工作,從而保證了整個電路的安全性和可靠性。
陶瓷大功率繞線電阻的應用
1. 電源應用
在電源濾波、限流、穩壓等領域,陶瓷大功率繞線電阻發揮著重要作用。通過調節電阻器的阻值,可以控制電路中的電流和電壓,從而保證電源的穩定輸出。同時,陶瓷大功率繞線電阻的高溫穩定性和耐過載能力也使得其成為電源電路中的理想選擇。
2. 通訊應用
在通訊設備的電路中,陶瓷大功率繞線電阻同樣具有廣泛的應用。它可以用于調節電流、防止電路過載和短路等情況的發生,保證通訊設備的正常運行。此外,陶瓷大功率繞線電阻的高穩定性和耐電壓高等特點也使得其成為通訊設備中不可或缺的元件之一。
3. 汽車電子應用
隨著汽車電子化程度的不斷提高,陶瓷大功率繞線電阻在汽車電子領域的應用也越來越廣泛。例如,在汽車點火系統中,陶瓷大功率繞線電阻可以用于控制點火線圈的電流,防止線圈燒損;在電動車充電電路中,陶瓷大功率繞線電阻可以用于限制充電電流,保護電池不受損壞。
4. 醫療設備應用
在醫療設備中,陶瓷大功率繞線電阻同樣發揮著重要作用。例如,在心電圖、血壓監測器等設備中,陶瓷大功率繞線電阻可以用于穩定電路中的電流和阻抗,確保設備能夠準確、可靠地工作。此外,陶瓷大功率繞線電阻的高溫穩定性和耐過載能力也使得其成為醫療設備中不可或缺的元件之一。



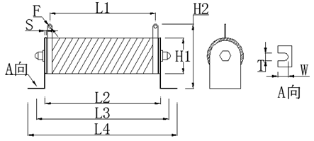
|
Power 功率 |
Resistance range 阻值范圍 |
Dimensions 尺寸(mm) |
Max. working Voltage [敏感詞]工作電壓 |
Max. overload voltage [敏感詞]負荷電壓 |
Max. insulation voltage [敏感詞]絕緣電壓 |
|||||||||
| L1±2 | L2±3 | L3±3 | L4±3 | H1±1 | H2± 2 | S ±0.5 | F±0.5 | W±1 | T±0.5 | |||||
| 25W | 0R22-4K7 | 40 | 60 | 75 | 100 | 20 | 50 | 5 | 3.5 | 13 | 5 | 300V | 300V | 450V |
| 50W | 0R22-10K | 82 | 100 | 114 | 140 | 30 | 58 | 6 | 5 | 14 | 6 | 400V | 400V | 600V |
| 100W | 0R22-15K | 132 | 150 | 174 | 200 | 30 | 58 | 6 | 5 | 14 | 6 | 500V | 500V | 750V |
| 150W | 0R33-18K | 162 | 180 | 194 | 220 | 30 | 58 | 6 | 5 | 14 | 6 | 600V | 600V | 900V |
| 200W | 0R33-22K | 207 | 225 | 240 | 265 | 30 | 58 | 6 | 5 | 14 | 6 | 700V | 700V | 1000V |
| 250W | 0R33-24K | 292 | 310 | 324 | 350 | 30 | 58 | 6 | 5 | 14 | 6 | 900V | 900V | 1300V |
| 300W | 0R33-27K | 258 | 270 | 285 | 328 | 41 | 85 | 7.8 | 6 | 23 | 6 | 1000V | 1000V | 1450V |
| 400W | 0R33-30K | 322 | 344 | 360 | 406 | 41 | 85 | 7.8 | 6 | 23 | 6 | 1500V | 1500V | 2200V |
| 500W | 0R33-33K | 322 | 344 | 355 | 406 | 51 | 95 | 7.8 | 6 | 26 | 8.5 | 1600V | 1600V | 2300V |
| 1000W | 0R33-36K | 290 | 315 | 325 | 375 | 71 | 110 | 10 | 8 | 32 | 8.5 | 1600V | 1600V | 2300V |
| 1500W | 0R33-39K | 405 | 420 | 435 | 505 | 71 | 110 | 10 | 8 | 32 | 8.5 | 1700V | 1700V | 2400V |
| 2000W | 0R33-43K | 495 | 525 | 540 | 610 | 71 | 110 | 10 | 8 | 32 | 8.5 | 1800V | 1800V | 2550V |
| 5000W | 0R33-43K | 600 | 630 | 645 | 710 | 100 | 140 | 10 | 8 | 32 | 8.5 | 1800V | 1800V | 2550V |
微信

電話
客服
TOP